Dra. Jazmín Ramírez Hernández

Doctora en Comunicaciones y Electrónica por el Instituto Politécnico Nacional
Desempeño actual: Investigadora nacional nivel 1, Profesor de Asignatura Á en el departamento de Ingeniería en Computación y Profesor de Asignatura en la Sección de Estudios de Posgrado e Investigación de ESIME Culhuacan. Líneas de investigación centrales: Convertidores de potencia, inversores multinivel, técnicas de modulación basadas en SYPWM, controladores predictivos para regulación de voltaje y/o corriente, controladores basados en redes neuronales para convertidores de potencia. Con una productividad que incluye 18 artículos publicados en revistas arbitradas y más de 21 artículos publicados en congresos internacionales, 16 direcciones de tesis, dirección de 7 proyectos financiados por la Secretaría de Investigación y Posgrado del IPN, Reconocimientos: Candidata a Investigadora Nacional del 2019 al 2023 e Investigador Nacional NIVEL 1 DEL 2024 AL 2028. Colabora en: Red de investigación de Inteligencia Artificial y Ciencia de Datos del IPN, y revisora habitual de IEEE Transactions on Industrial Electronics, IEEE Latin America Transactions, IEFE Transactions on Power Electronics, IEEE Open Journal of Power Electronics, IEEE Journal of Emerging and Selected Topics in Power Electronics
jramirezhe@ipn.mx
Áreas de interés
Electrónica de potencia Convertidores de potencia CD-CD CA-CD CD-CA (Multiniveles) CA-CA (Matriciales, cicloconvertidores) Controladores Modulación PWM por Espacio Vectorial Controladores Predictivos Controladores por redes neuronales
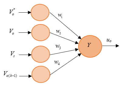
Controladores por redes neuronales artificiales en convertidores CD-CD



Controladores por redes neuronales artificiales en rectificadores activos



Controladores por redes neuronales artificiales en inversores trifásicos




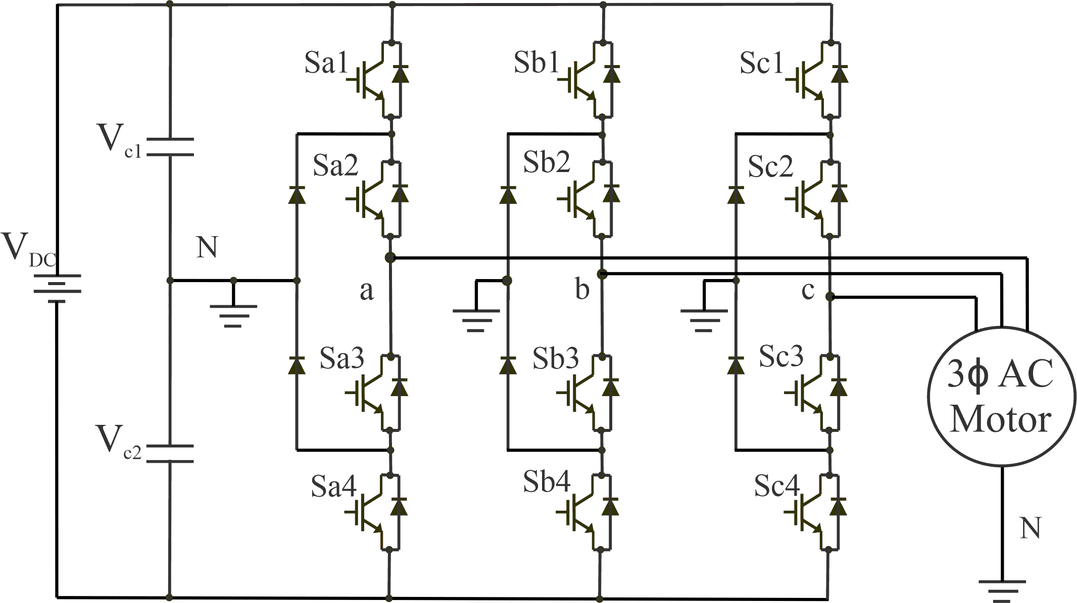
Controladores por redes neuronales artificiales en inversores multinivel NPC



Controladores por redes neuronales basadas en SVPWM



Simulaciónes de los controladores basados en redes neuronales en Matlab - Simulink

Verificación de algoritmos empleando la técnica “Processor in the loop” en Simulink
